- Главная
- Каталог
- Узлы коллекторные, квартирные станции Пульсар
- Квартирные станции Пульсар
- Квартирная станция отопления «Пульсар» модель 1, левая Н00066166
арт: Н00066166
Квартирная станция отопления «Пульсар» модель 1, левая
Рассчитать
Преимущества:
- Гарантия на узел в сборе
- Расчет и проектирование по индивидуальному ТЗ заказчика
- Технология термосверления — изготовление на заводе на высокоточном станке с ЧПУ
- Толщина труб не менее 2,8 мм
- Опрессовка под давлением 1,6 МПа
- Программное обеспечение PULSAR SET для гидравлического расчёта с получением балансировочных настроек
- Помощь и консультация по пусконаладочным работам
Описание
Характеристики
Документация
Оплата
Доставка
Гарантии
Описание
Предназначены для организации учета потребления тепловой энергии в отдельной квартире
многоквартирного здания. Осуществляют балансировку квартирной системы отопления, автоматически
поддерживают комфортную температуру в квартире. Оборудованы автоматическими воздухотводчиками
с отсекающими клапанами, сливными клапанами и сетчатым фильтром. Могут иметь как вертикальное,
так и горизонтальное подключение в зависимости от модификации.
Характеристики
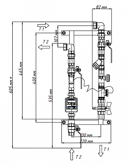
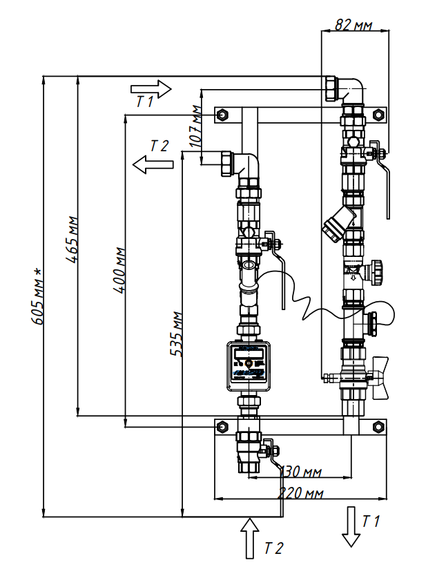
Габаритные размеры
22 х 60,5 х 11 см
Ду
Ду15
Номинальное давление PN
1 МПа
Максимально рабочее давление
1.6 МПа
Температура теплоносителя
до 105 °С
Возможность установки на раме
есть
Номинальный расход теплоносителя
0,6 м3/час
1,5 м3/час
1,5 м3/час
Возможность установки сервопривода
есть
Документация
Документы:
Сертификаты:
Оплата
Доставка
- Самовывоз БЕСПЛАТНО:
В магазинах “Тепловоз” в Новосибирске
Из ПВЗ транспортной компании в остальных городах России.
- Курьерская доставка:
Доступна только для Новосибирска, для отдаленных районов расчет индивидуальный.
- Транспортной компанией из г. Рязань:
Отправим заказ любой доступной транспортной компанией.
Гарантии
Изготовитель гарантирует соответствие изделия требованиям действующих нормативных документов при соблюдении потребителем условий эксплуатации, хранения, транспортирования и монтажа.
Гарантийный срок для каждого типа приборов указывается в руководстве по эксплуатации.
Гарантийный срок на литиевую батарею (при ее наличии) равен сроку службы батареи.
Производитель не принимает рекламации, если приборы вышли из строя по вине потребителя из-за неправильной эксплуатации или при несоблюдении правил эксплуатации приведенных в руководстве по эксплуатации приборов.
Гарантийный срок для каждого типа приборов указывается в руководстве по эксплуатации.
Гарантийный срок на литиевую батарею (при ее наличии) равен сроку службы батареи.
Производитель не принимает рекламации, если приборы вышли из строя по вине потребителя из-за неправильной эксплуатации или при несоблюдении правил эксплуатации приведенных в руководстве по эксплуатации приборов.